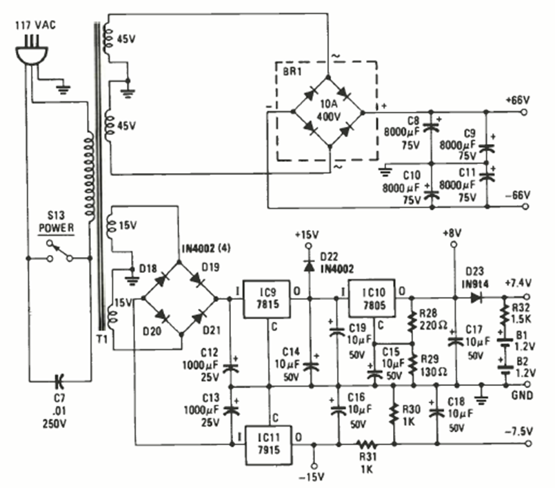
Esta es la fuente de alimentación del amplificador del circuito anterior. Los reguladores de tensión deben estar equipados con un disipador de calor y el transformador debe ser de alta corriente.
Es un simple proyecto electrónico que puede convertirse en regalo o brindis que seguramente le...
Este circuito se puede ajustar para disparar y producir un sonido cuando la luz en el LDR se corta...
Esta configuración, que aparece en otros puntos de este sitio, fue encontrada en una documentación de...