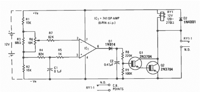
Recomendado para aplicaciones de alarma, este circuito se encontró en la revista Radio Electronics de diciembre de 1976. El circuito es para aplicaciones en automóviles de 12 V.
Es un simple proyecto electrónico que puede convertirse en regalo o brindis que seguramente le...
Este circuito se puede ajustar para disparar y producir un sonido cuando la luz en el LDR se corta...
Esta configuración, que aparece en otros puntos de este sitio, fue encontrada en una documentación de...