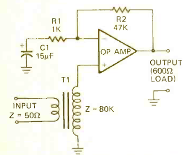
Este circuito es adecuado para fuentes de baja impedancia, utilizando un amplificador operacional. La ganancia es de alrededor de 40 veces y el transformador es un tipo antiguo. El circuito es de una revista de Radio Electronics de diciembre de 1972.




