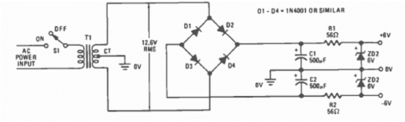
Este circuito lo encontramos en la revista Radio Electronics de mayo de 1977. La tensión del transformador es de 6+6 V y la corriente depende de los diodos zener, siendo del orden de 100 a 200 mA.
Es un simple proyecto electrónico que puede convertirse en regalo o brindis que seguramente le...
Este circuito se puede ajustar para disparar y producir un sonido cuando la luz en el LDR se corta...
Esta configuración, que aparece en otros puntos de este sitio, fue encontrada en una documentación de...