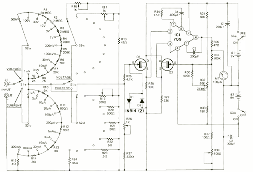
Este multímetro con FET y amplificador operacional 709 fue encontrado en la revista Radio Electronics de julio de 1972. El circuito utiliza dos baterías de 9 V en una fuente simétrica y el indicador es un microamperímetro de 100 uA.
Es un simple proyecto electrónico que puede convertirse en regalo o brindis que seguramente le...
Este circuito se puede ajustar para disparar y producir un sonido cuando la luz en el LDR se corta...
Esta configuración, que aparece en otros puntos de este sitio, fue encontrada en una documentación de...