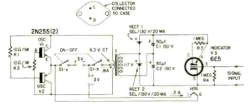
Este interesante circuito con una válvula indicadora alimentada por un transistor inversor fue encontrado en la revista Radio Electronics de noviembre de 1960.

Este interesante circuito con una válvula indicadora alimentada por un transistor inversor fue encontrado en la revista Radio Electronics de noviembre de 1960.
