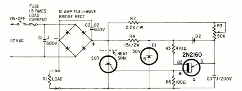
Este control de potencia con SCR se encontró en Radio Electronics desde abril de 1966. Los componentes son de la época, pero el circuito se puede implementar con equivalentes modernos. Los diodos deben tener corriente según la carga.
Esta sirena tiene un sonido inicialmente creciente en la frecuencia cuando aprieta el interruptor de...
Sólo se utilizan tres componentes para hacer que un LED parpadee con una velocidad determinada por el valor...
Se puede obtener mayor volumen de escucha en el auricular si un transistor se utiliza para...