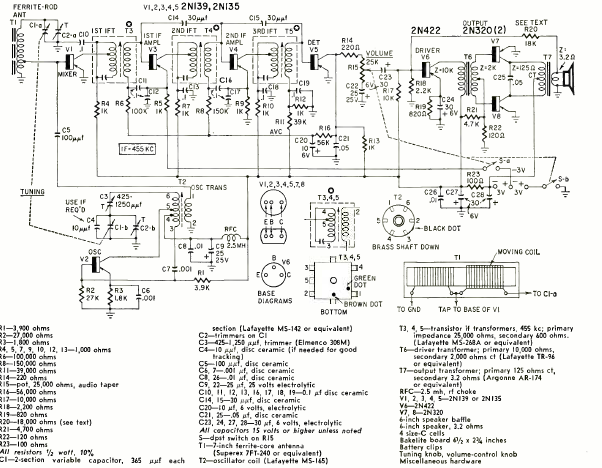
Denominado super 8, este receptor para la gama de ondas medias tuvo su montaje descrito en un artículo de la revista Radio Electronics de agosto de 1960. El receptor es de tipo superheterodino.

Denominado super 8, este receptor para la gama de ondas medias tuvo su montaje descrito en un artículo de la revista Radio Electronics de agosto de 1960. El receptor es de tipo superheterodino.
