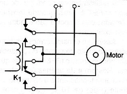
Para invertir la rotación de un motor cambiando los niveles de una salida Arduino u otro microcontrolador, podemos usar un relé de 5 V como se muestra en la conexión a continuación. El motor tiene potencia independiente. Para encender y apagar el motor podemos utilizar un segundo relé. Para relés de mayor voltaje es conveniente utilizar una etapa de excitación como se indica en el siguiente circuito.




