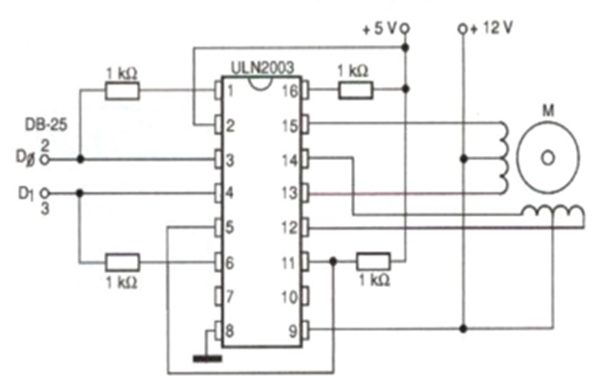
Este circuito consta de una variación del anterior, con la diferencia de que sólo tenemos dos entradas utilizadas. Por lo tanto, las bobinas se energizan con la siguiente secuencia de comandos de entrada que pueden provenir directamente del puerto paralelo de una PC o de la lógica digital TTL (o CMOS).

En este caso, la corriente máxima que puede suministrar el circuito integrado ULN2003 es de 500 mA por devanado. Mira que aquí tenemos una fuente de alimentación dual que debe tener 5 V para la lógica interna y 12 V para la alimentación del motor. Es importante tener en cuenta que la tierra Cl en el pin 8 debe ser común al circuito de PC o controlador digital, y también a los circuitos de 12 V y 5 V.




