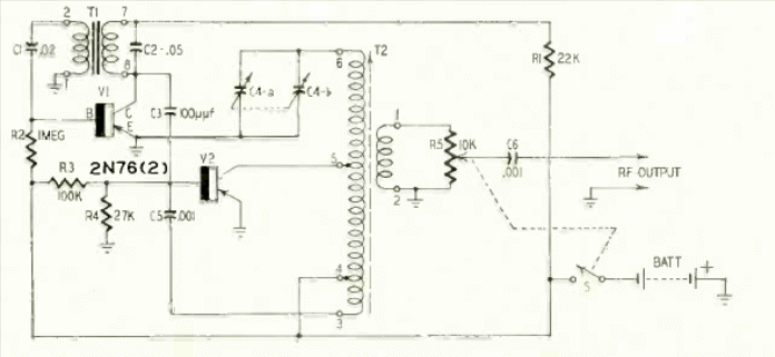
Este sencillo generador de señales con transistores fue publicado en la revista Radio Electronics en noviembre de 1957. El circuito genera señales determinadas por la bobina y la modulación por el transformador.
Encontrado en una publicación estadounidense de 1966, este circuito genera una señal rectangular de...
Este circuito es de una documentación de 1987. El operativo usado no es común actualmente, pero en su lugar se...
Esta fuente de alimentación de 3, 5, 6, 9 y 12 V seleccionada por un interruptor tiene un...