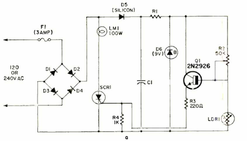
Este circuito apareció en la revista Radio Electronics en julio de 1969. El sensor es un LDR y el circuito es un control de onda completa. Los diodos deben estar de acuerdo con la potencia de la lámpara, así como con el SCR.
Los transistores de efecto de campo de potencia (Power MOSFETs) pueden controlar corrientes...
Este circuito se puede utilizar con cristales de 100 kHz a 30 MHz y el circuito resonante debe...
Con este aparato podemos verificar si un material es conductor o aislante en una demostración simple e...