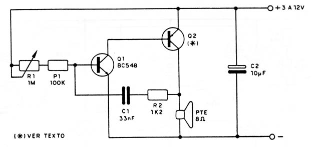
Este oscilador produce una señal bastante fuerte para excitar con buen volumen um altoparlante, sirviendo como alarma, sirena, etc. La frecuencia está dada por C1 y por El ajuste de P1. El transistor Q2 puede ser del tipo BC558 o equivalente, para tensiones de alimentación hasta 6 V. Para tensiones mayores debe usarse un transistor de mayor potencia como el BD136 o TIP30




