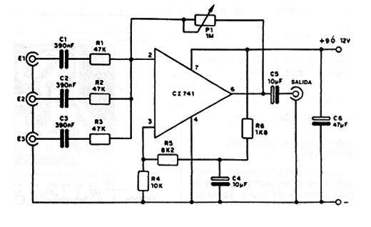
Un integrado único es la base de este mixer de 3 entradas, ideal para micrófonos, pero que puede también operar con otras fuentes de señal. Su ganancia es ajustada hasta 100 veces con P1 y puede ser usado como base para un sistema de audio o bien para una estación experimental.
El circuito completo es dado en la figura 1 y la placa de circuito impreso aparece en la figura 2.


La fuente de alimentación puede ser una batería de 9 W o bien pilas (6 u 8 pequeñas) ya que el consumo de corriente de la unidad es bastante bajo.
Los cables de entrada y salida deben ser blindados. La salida será conectada en la entrada de cualquier buen amplificador.
Los capacitores electrolíticos deben tener tensión de trabajo de por lo menos 12V y los capacitores de entrada pueden tener sus valores en la teia de 390 nF a 1 µF, de tipo cerámico, styroflex o poliéster.
Observe que este mixer no posee control individual de mezclado, pero se puede agregar esto a la entrada (antes de C1, C2 y C3) usando potencómetros de 100 k.




