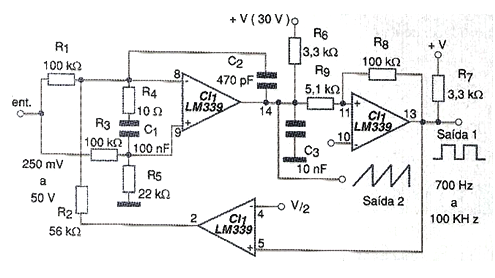
El circuito de la figura 1 es sugerido por National Semiconductor pudiendo generar señales de 700 Hz a 100 kHz cuando la tensión de entrada o control varía entre 250 mV y 50 V.

Se utilizan tres de los cuatro comparadores de tensión existentes en el circuito integrado LM339.
Los condensadores de tiempo se pueden cambiar para generar otras bandas de tensión.
La alimentación se realiza con una fuente de 30 V simple, observándose que la referencia V / 2 en las entradas de dos comparadores se puede obtener con un divisor formado por dos resistores de 10 k ohms.
El circuito proporciona señales rectangulares y triangulares en dos salidas diferentes.
Observe que son necesarios los resistores pull-up de 3,3 k ohms en las salidas de los comparadores para garantizar la polarización correcta de sus salidas, ya que ellas usan resistores con colector abierto.
En la figura 2 tenemos una sugerencia de placa de circuito impreso para el montaje de este oscilador.

Evidentemente esta configuración puede ser cambiada conforme a las necesidades de proyecto, con el cambio de los comparadores usados en cada etapa.
Lista de material
CI-1 - LM339 - cuádruple comparador de tensión
R1, R3, R8 - 100 k ohms x 1/8 W - resistores
R2 - 56 k ohms x 1/8 W - resistor
R4 - 10 ohms x 1/8 W - resistor
R5 - 22 k ohms x 1/8 W - resistor
R6, R7 - 3,3 k ohms x 1/8 W - resistores
R9 - 5,1 k ohms x 1/8 W - resistor
C1 - 100 nF - capacitor
C2 - 470 pF - capacitor
C3 - 10 nF - capacitor
Varios:
Placa de circuito impreso, fuente de alimentación de 30 V, hilos, soldadura, etc.



