Con este circuito es posible transformar su amplificador en un receptor AM común, con excelente calidad de sonido. La fidelidad, evidentemente dependerá de las características del amplificador usado.
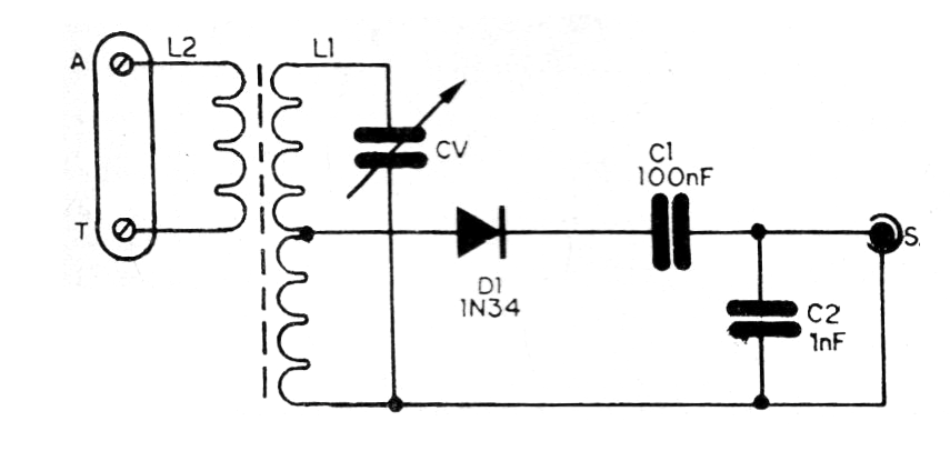
El circuito consiste en una etapa de sintonización y detección de señales de buena sensibilidad, sin la necesidad de circuitos activos, ya que el volumen será controlado en el propio amplificador. El circuito completo del sintonizador se muestra en la figura 1.
En la figura 2 tenemos el montaje del sintonizador en un pequeño puente de terminales. El conjunto se puede instalar en una pequeña caja de plástico. La salida puede ser un enchufe de acuerdo con la entrada del amplificador.
Para estaciones fuertes la antena es un pedazo de hilo de 1 a 3 metros de longitud.
La bobina L1 está formada por 40 + 40 espiras de hilo 28 en un bastón de ferrita de 15 a 30 cm de longitud y aproximadamente 1 cm de diámetro. L2 consiste en 10 a 20 vueltas del mismo hilo al lado de L1. El condensador variable se puede obtener de cualquier radio AM antiguo.
Lista de material
D1- 1N34 o equivalente - diodo de germanio
L1, L2- Bobinas- ver texto
CV - Capacitor variable - ver texto
C1- 100 nF- capacitor cerámico
C2- 1 nF- capacitor cerámico
Varios: puente de terminales, bastón de ferrita, hilos esmaltados, hilos, soldadura, caja para montaje, etc.





