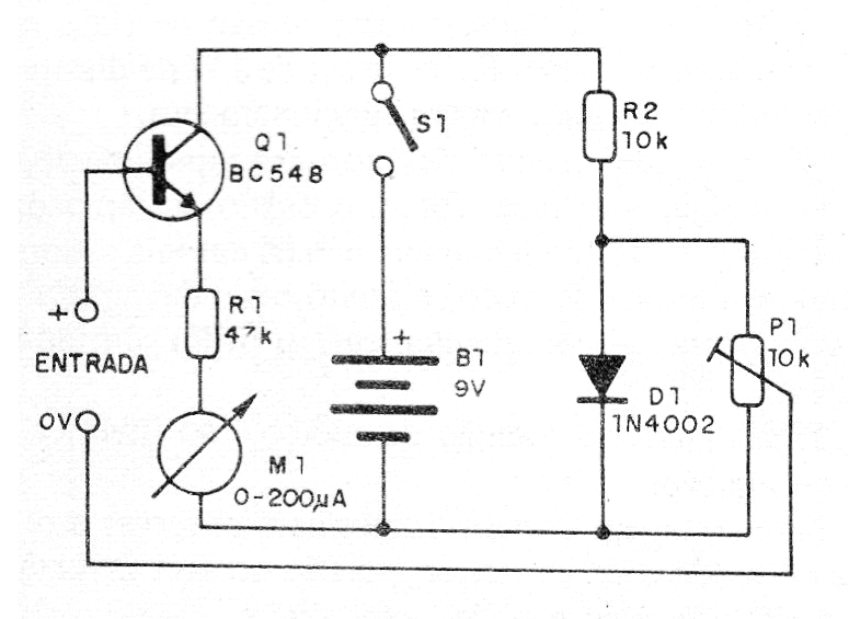
Este circuito posibilita la medida de tensiones en la escala de 0 a 6 V u otra con cambios de los componentes y una buena sensibilidad de entrada. El indicador es analógico (microamperímetro) que puede obtenerse de equipos de sonido antiguos.
El ajuste único es de cero que será realizado por un trimpot. La alimentación se realiza por una batería de 9 V, pero el consumo es muy bajo. En la figura 1 tenemos el diagrama completo del voltímetro.
La calibración de la escala se puede realizar con la ayuda de una fuente variable de tensiones conocidas de salida.
Para usar, cierra la escala y luego mida la tensión del circuito. Tenga cuidado de no conectarse a tensiones muy altas que quemar el transistor y recuerde que el circuito sólo mide tensiones continuas.
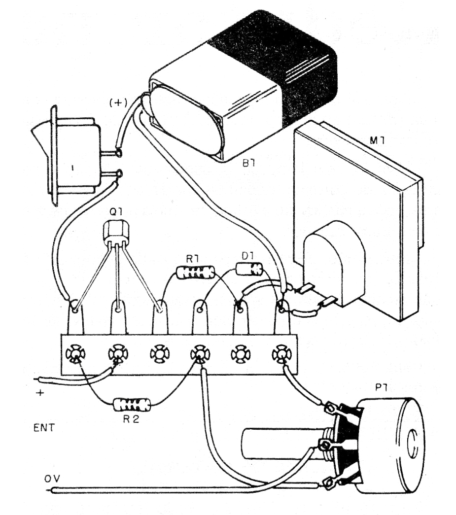
Lista de material
Q1 - BC548 - transistores NPN de uso general
D1 - 1N4002 o equivalente - diodo de silicio
M1- 0-200 uA - microamperímetro
S1 - Interruptor simple
B1- 9 V - batería
R1 - 47k ohms x 1/8 W - resistor - amarillo, violeta, naranja
R2 - 10 k ohms x 1/8 W - resistor - marrón, negro, naranja
P1 - 10 k - potenciómetro
Varios: puente de terminales, soporte de pilas, hilos, soldadura, etc.





