El circuito que describimos es muy simple y ya conocido de muchos lectores, que aprovechan esta configuración en innumerables aplicaciones. Sin embargo, una utilidad interesante de este circuito es la prueba y la medida comparativa de resistencias de 0 a 1,5 M ohms.
La prueba es hecha por el sonido, y la medida se puede hacer en base a la comparación con resistores de valores conocidos.
Podemos utilizar este circuito en lugar del multímetro con eficiencia y precisión que dependerá de la sensibilidad del oído y de la tolerancia de los resistores usados como referencia.
Básicamente el circuito consiste en un oscilador cuyo sonido producido depende tanto de C1 y de la resistencia Rx en prueba. Cuanto mayor sea el valor de Rx, más grave será el sonido producido.
Así, si un resistor abierto se prueba, producirá un sonido de baja frecuencia o incluso pulsos de intervalos.
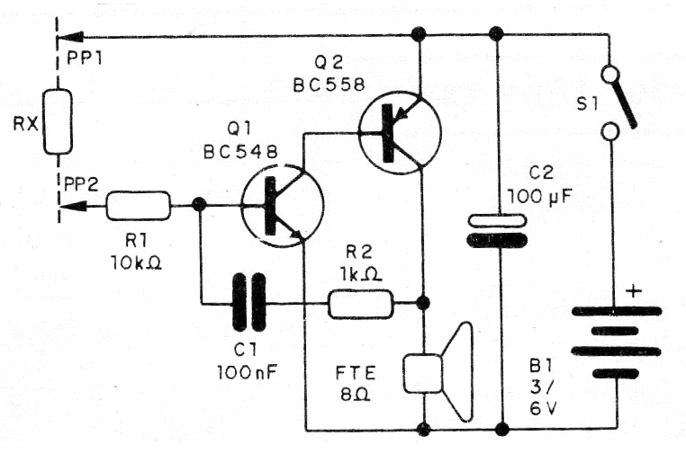
En la figura 1 tenemos el diagrama completo del aparato.
En la figura 2 tenemos el montaje realizado sobre la base de un puente de terminales.
El circuito puede ser alimentado tanto con dos como cuatro pilas pequeñas.
En realidad, S1 puede ser eliminado, siempre que, cuando fuera de uso, las puntas de prueba se mantengan separadas.
Las puntas de prueba pueden ser improvisadas con clavos aislados. Los demás componentes son comunes.
Para utilizar el aparato, basta con colocar las puntas de prueba en el resistor en prueba, Debe haber emisión de sonido. Los resistores del mismo valor tendrán sonidos muy próximos, siendo la diferencia dependiente sólo de la tolerancia.
Los resistores en el rango de 0 a 1k resultarán en sonidos muy agudos y los más de 100k resultarán en sonidos graves.
Lista de materiales:
Q1 - BC548 - transistores NPN de uso general
Q2 - BC558 - transistores PNP de uso general
FET- 8 ohms- altavoz pequeño
PP1, PP2 - Punta de prueba
S1- Interruptor simple
B2 - 2 o 4 pilas pequeñas
R1- 10k ohms x 1/8 W-resistor - marrón, negro, naranja
R2 - 1k ohms x 18 W-resistor - marrón, negro, rojo
C1- 100 nF- capacitor cerámico o poliéster
C2- 10 a 100 uF- capacitor electrolítico par 6 V o más
Varios:
Puente de terminales, caja para montaje, soporte para las pilas, hilos, soldadura, etc.





