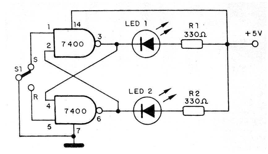
Este circuito puede ser usado en demostraciones, mostrando el principio de funcionamiento de un flip-flop R-S (Reset-Set) con tecnología TTL.
El circuito tiene como base dos de los cuatro puertos NAND disponibles en un circuito i9ntegrado 7400, de fácil obtención y bajo costo.
La alimentación del circuito se realiza con 5 V y la indicación de salida a través de los LED.
Este circuito es en realidad una memoria de 1 bit, y varios pueden ser montados para memorizar información en un proyecto experimental de computadora.
La conmutación del estado se hace llevando la entrada 1 y 5 al nivel bajo, es decir, aterrizando por medio de una llave externa o incluso un puente.
En la figura 1 tenemos el diagrama completo de este flip-flop TTL.
La disposición de los componentes en una placa de circuito impreso se muestra en la figura 2. El circuito también se puede montar en una matriz de contactos.
Recordamos que el 7400 tiene dos puertas NAND iguales a los usados y que se pueden aprovechar para montar un segundo flip-flop o una célula de memoria. Los resistores son de 1/8 W y podemos usar un LED de cualquier color. La alimentación debe realizarse obligatoriamente con 5 V.
Lista de material
CI1- 7400 - circuito integrado TTL
LED1, LED2 - LEDs comunes - rojo y verde
R1, R2 – 330 ohms x 1/8 W - resistores - naranja, naranja, marrón
S1 - Llave de 1 polo x 2 posiciones o interruptores de presión
Varios:
Placa de circuito impreso, fuente de 5 V, hilos, soldadura, etc.





