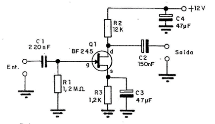
El primer circuito es un preamplificador de audio con excelente ganancia y muy alta impedancia de entrada. La alimentación se puede realizar con tensiones de 9 a 12V y el consumo es ligeramente superior a 0,5 mA. Con una batería de 9V y este consumo, este preamplificador puede funcionar durante meses seguidos. En la figura tenemos el circuito que presenta una ganancia de tensión de 10 veces.

Los cables de entrada y salida de señal deben estar blindados, ya que la alta impedancia de entrada hace que el circuito sea sensible al zumbido. Este preamplificador es ideal para micrófonos y pastillas de tipo cerámico de alta impedancia, con un nivel de señal de salida de hasta 500 mV.
Material:
Q1 – BF245 – FET de junción
R1 – 1M2 – resistor
R2 – 12 k resistor
R3 – 1k2 – resistor
C1 – 220 nF – capacitor cerpámico o poliéster
C2 – 00 uF - electrolítico
C3, C4 - 47 uF – electrolítico
Diversos:
Placa de circuito impreso, fuente de alimentación etc.



