Este montaje es bastante interesante, pudiendo ser usado para muchas aplicaciones prácticas. Se trata de un sensible circuito que permite el accionamiento o apagado de aparatos electrónicos con el simple toque de los dedos, por la resistencia eléctrica que ellos representan a la circulación de la corriente.
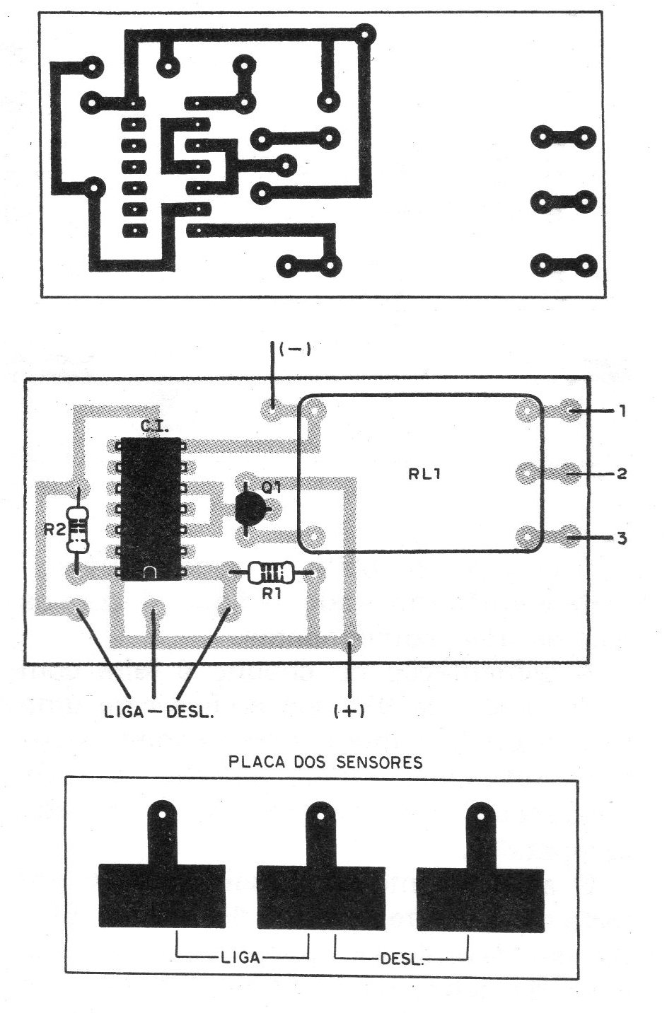
Tenemos entonces, como muestra la figura 1, dos sensores hechos de metales conductores (una placa de circuito impreso apropiadamente trabajada).
Cuando tocamos en el primer sensor, de modo que la corriente circule por nuestros dedos, el relé es accionado, estableciendo así la alimentación de un aparato electrónico.
Cuando ponemos los dedos en el segundo sensor, la cadena hace que el relé se apague y, por lo tanto, cese la alimentación del aparato.
En suma: tocando en uno, llamamos y tocando en el otro, apagamos.
El lector puede utilizar este circuito para encender las lámparas, accionar aparatos de sonido, dispositivos de llamada, y muchas otras aplicaciones interesantes.
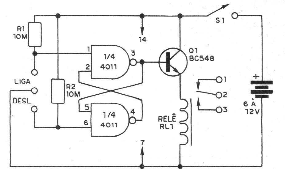
El circuito utiliza un integrado del tipo 4011 y un transistor NPN de uso general, como muestra el diagrama de la figura 2.
El circuito integrado C-MOS 4011 consiste en cuatro puertos NAND de dos entradas, de las cuales sólo dos se utilizan en nuestro caso. Estas puertas se conectan de tal forma a formar un flip-flop, es decir, un circuito que admite sólo dos estados posibles: conducción y no conducción.
Estos estados se determinan por la excitación de sus entradas, en el caso de gran impedancia de entrada y sensibilidad.
Así, al tocar los terminales correspondientes a la LIGA, la primera puerta se lleva a un nivel de salida alto, al mismo tiempo que inhibe la salida de la segunda puerta manteniéndola en el nivel bajo.
Cuando tocamos en los terminales DESLIGA, la segunda puerta es accionada, siendo llevada al nivel alto de salida, al mismo tiempo que la primera, que tiene el transistor de excitación del relé, se mantiene en el nivel bajo, por lo tanto, desconectada.
El transistor utilizado puede ser cualquier NPN para uso general de baja potencia, como el BC547, y el relé debe ser del tipo sensible a 6 o 9 V.
La tensión de alimentación del circuito debe situarse en el rango de 6 a 12 V, pudiendo ser efectuada por pilas o baterías comunes.
El consumo de corriente de la unidad en la posición DESLIGA es extremadamente bajo, y en la posición LIGA, éste depende fundamentalmente de la corriente requerida por el relé para su accionamiento.
En la figura 3 mostramos una sugerencia de placa de circuito impreso para este aparato y también los sensores.
Vea que las otras dos puertas NAND de este mismo integrado pueden ser aprovechadas para la realización de otro circuito igual, obteniéndose así un control de doble toque.
Basta con utilizar otro transistor, un relé y dos resistores de 10 M. La fuente de alimentación será común.
Completamos este proyecto, observando que la corriente de accionamiento es determinada por el resistor de 10 M, lo que significa un valor normal del orden de 0,1 uA o menos para los casos comunes.
Lista de material
CI-1- 4011 - circuito integrado C-MOS
Q1 - BC548 - transistores NPN para uso general
R1, R2 - 10 M x 1/8 W - resistores (marrón, negro, azul)
RL1 - Relé sensible de 6 o 9 V
S1 - Interruptor simple
B1 - Batería de 6 a 12 V
Varios: sensor, placa de circuito impreso, hilos, soporte para el integrado, etc.






