Este circuito hace que una lámpara incandescente (que se está haciendo más rara) de hasta 150 W parpadea rápidamente dando el efecto estroboscópico muy usado en fiestas.
El circuito es bastante simple, pudiendo funcionar tanto en la red de 110 V como 220 V y puede ser montado en un puente de terminales, para los que no deseen un montaje en placa.
Dada la inercia mayor de los filamentos de las lámparas, la velocidad de los intermitentes no puede ser muy alta, pero el efecto obtenido es bueno y el costo del aparato compensa.
El circuito consiste en un oscilador de relajación con lámpara neón que dispara un SCR que tiene por carga una lámpara común.
El circuito no funcionará con otro tipo de lámpara y el control es de media onda.
La frecuencia depende tanto del capacitor y del ajuste del potenciómetro.
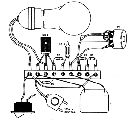
En la figura 1 tenemos el diagrama completo del aparato.
En el montaje en puente de terminales, observe la posición de los componentes.
El SCR debe estar dotado de un pequeño disipador de calor.
En la figura 2 tenemos la disposición de los componentes en una pequeña barra de terminales aislados.

Para la conexión de lámparas en paralelo (hasta 300 W) utilice las conexiones mostradas en la figura 3.
Lista de Materiales
SCR – TIC106
R1 – 47 k
R2 – 4k7
R3 – 10 k
P1 – 1 M – potenciômetro
C1 – 1 uG a 5,6 uF – poliéster
NE1 – NE2H – lámpara neón
L1 – 5 a 100 W – lámpara incandescente
Vários:
Hilos, puente de terminales, soldadura, etc.





