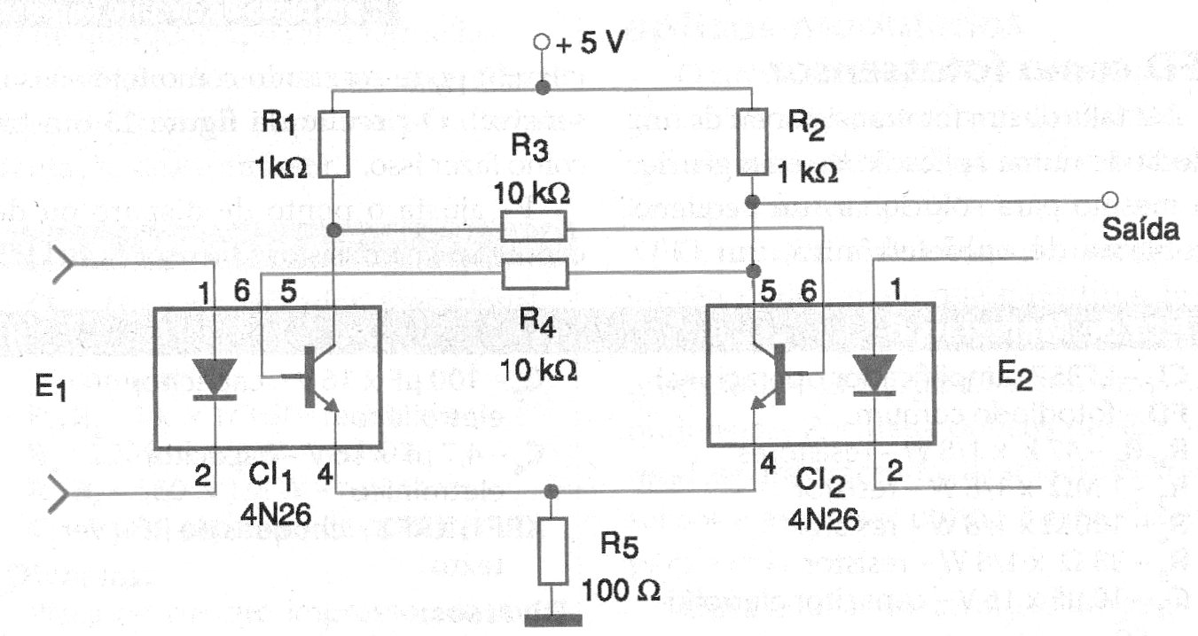
Este proyecto experimental didáctico muestra cómo es posible implementar con opto-acopladores un flip-flop óptico. El circuito es compatible con la lógica TTL y puede ser utilizado en clases o incluso proyectos que exijan aislamiento completo.
La alimentación se realiza con una tensión de 5 V y se debe conectar en serie con los LED emisores resistores compatibles con la aplicación.
Para utilizar como un escudo microcontrolado el resistor en serie con el LED puede ser de 220 ohms para lógica de 3,3 V y 330 ohms para lógica de 5 V.
Se pueden utilizar acopladores ópticos equivalentes.
En la figura 1 tenemos el diagrama completo del flip-flop.
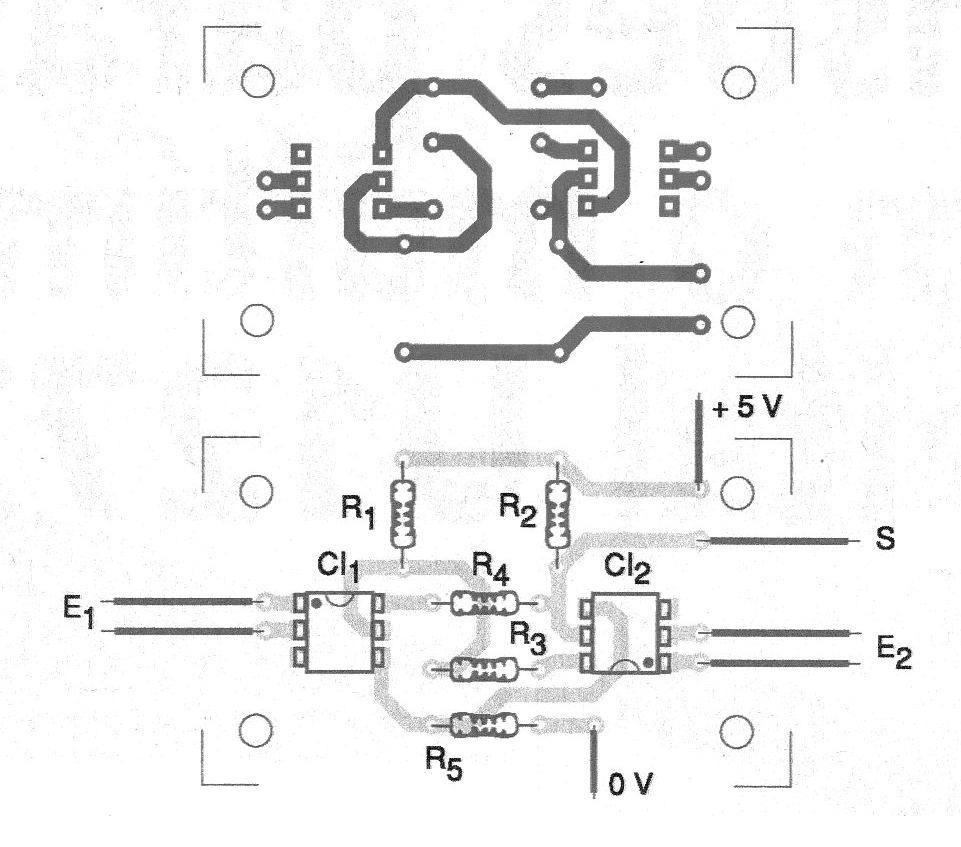
En la figura 2 tenemos una sugerencia de placa de circuito impreso para el montaje.
Lista de material
CI1, CI2 – 4N26 o equivalente – acoplador óptico
R1, R2 – 1k x 1/8 W – resistores
R3, R4 – 10 k x 1/8 W – resistores
R5 – 100 ohms x 1/8 W – resistor





