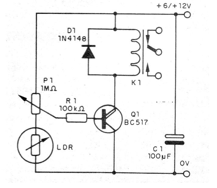
El circuito, mostrado en la figura 1, acciona un relé cuando se corta la luz que incide en un sensor (LDR).
Este circuito también es muy sensible, lo que significa una corriente muy pequeña en el LDR además de la posibilidad de trabajar con fuentes de luz muy débiles.
En realidad, incluso niveles de iluminación imperceptibles para el ojo humano ya son suficientes para accionar este circuito.
La base también es un solo transistor BC517 que acciona un relé.
P1 hace el ajuste de sensibilidad y la alimentación se puede hacer con 6 o 12 V según el relé.
La placa de circuito impreso para este proyecto se muestra en la figura 2.
Un capacitor se puede añadir entre la base y el emisor del transistor para reducir su velocidad.
Este capacitor puede tener valores entre 220 nF y 2 200 uF.
Lista de material
Q1 - BC517 - transistores Darlington
LDR - LDR común
D1 - 1N4148 - diodo de uso general
K1 - Relé de 6 o 12 V
P1 - 1 M ohms - pote
R1 - 100 k ohms - resistor - marrón, negro, amarillo
C1 - 100 uF - capacitor electrolítico
Varios:
Placa de circuito impreso, hilos, soldadura, etc.





