Este fotómetro se puede utilizar en la medida de las intensidades luminosas o la comparación de los tonos de las tintas y en muchas otras aplicaciones en gran precisión no es necesario.
Podemos también usarlo en diversos experimentos en el laboratorio de física.
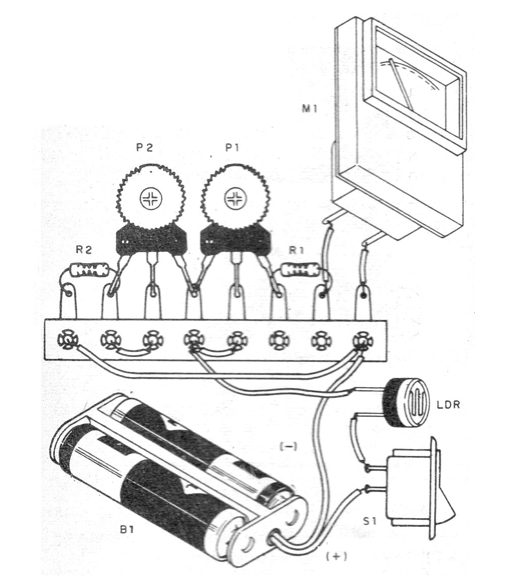
El circuito mostrado en la figura 1 utiliza un microamperímetro de 0-1 mA o 0-200 uA para indicar la intensidad de la luz que incide en el LDR.
El circuito puede ser montado en un puente de terminales, por tratarse de configuración muy simple.
La disposición de los componentes en una placa de circuito impreso se muestra en la figura 2.
Los resistores son de 1/8 W con cualquier tolerancia y el instrumento puede tener fondo de escala de 200 uAa 1 mA.
Los instrumentos de este tipo se pueden aprovechar de equipos de sonido antiguos, donde se utilizan como VU-meter.
El circuito tiene dos ajustes.
Inicialmente coloque el trimpot P1 de 47k en el centro del ajuste e ilumine el LDR.
Ajuste entonces P2 para que el instrumento no sobrepase el final de la escala.
A continuación, ajuste P1 de nuevo de acuerdo con el rango de luz que debe medir.
Hecho los ajustes, el lector puede elaborar una escala de luminosidad para su instrumento con base en un fotómetro comercial.
Lista de material
LDR - LDR común
M1 - Instrumento de 0 a 200 uA o 0-1 mA
P1 - 47 k ohms - trimpot
P2 - 100 k ohms - trimpot
B1 - 1,5 V a 3 V - 1 o 2 pilas
R1 - 4k7 ohms - resistor - amarillo, violeta, rojo
R2 - 1 k ohms - resistor - marrón, negro, rojo
Varios:
Puente de terminales, soporte de pilas, caja para montaje, hilos, soldadura, etc.





