Este circuito puede generar señales rectangulares y triangulares a partir de una fuente de alimentación simple de 5 V.
Este circuito es sugerido por Texas Instruments, basado en el circuito integrado LinMOS TLC272, pero equivalentes pueden ser experimentados, prácticamente sin ningún cambio de valor de componente.
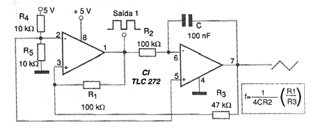
En la figura 1 tenemos entonces el oscilador que utiliza dos amplificadores operacionales constantes del circuito integrado TLC272.

La frecuencia de la señal generada depende básicamente de C y de los resistores según la fórmula dada junto al diagrama. Para efectos de cambios en la frecuencia se recomienda mantener los valores de los resistores originales del diagrama y apenas recalcular C.
La frecuencia máxima que este circuito puede generar es alrededor de 1 MHz, pero los amplificadores más rápidos se pueden utilizar si el lector desea un valor más alto.
En la figura 2 tenemos una sugerencia de placa de circuito impreso para implementación del oscilador.

Lista de material
CI-1 - TLC272 - amplificador operacional doble
R1, R2 - 100 k ohms x 1 / 8W - resistores
R3 - 47 k ohms x 1/8 W - resistor
R4, R5 - 10 k ohms x 1/8 W - resistores
C - 100 nF o según la frecuencia - capacitor cerámico o poliéster
Varios:
Placa de circuito impreso, fuente de alimentación, hilos, soldadura, etc.



