Las fuentes de corriente constante se utilizan en aplicaciones como cargadores de batería, cubetas electrolíticas, etc.
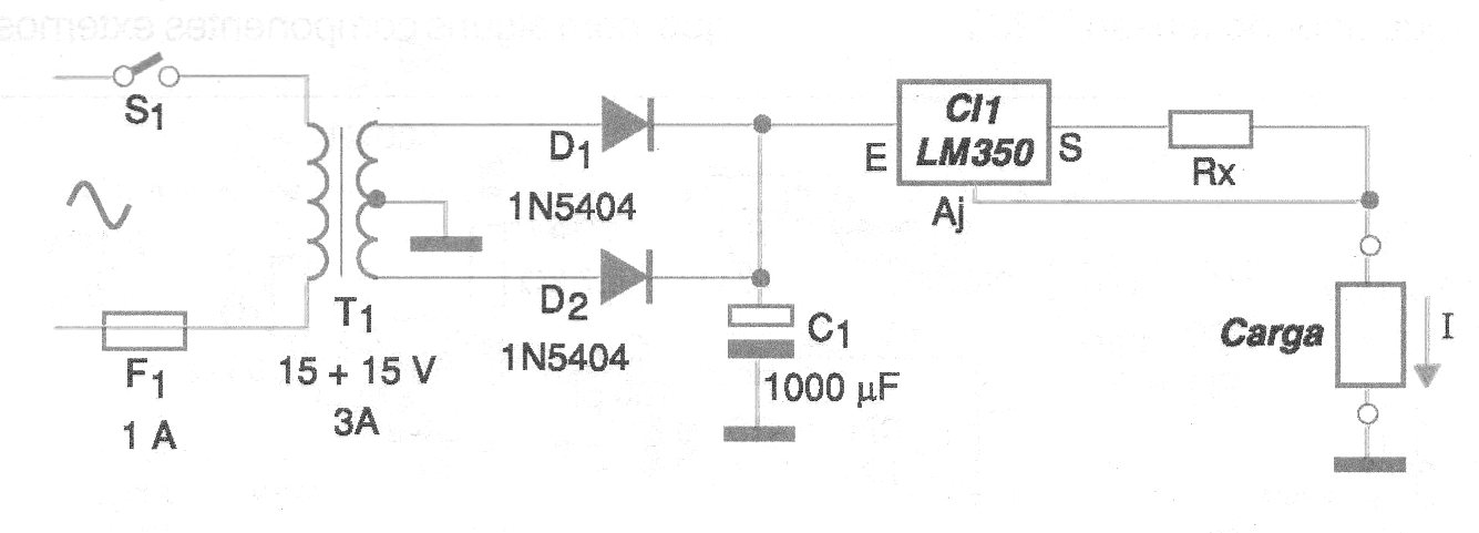
La fuente que presentamos en la figura 1 puede suministrar corrientes de salida hasta 3 A.
La intensidad de la corriente en la carga depende de Rx y se calcula mediante la siguiente fórmula:
I = 1,25 / Rx
El valor 1,25 es dado por el zener interno de referencia del circuito integrado LM150. El mismo circuito puede ser elaborado para corrientes hasta 1,5 A con el uso del LM317.
En la figura 2 tenemos una sugerencia de placa de circuito impreso para implementación de esta fuente.
Recordamos la necesidad de dotar el circuito integrado regulador de un buen disipador de calor y adoptar senderos largos para la conducción de las corrientes más intensas.
El transformador debe tener un secundario con una tensión por lo menos 2 V mayor que la tensión máxima que aparece en la carga en las condiciones de corriente constante. Vea que la tensión máxima de entrada del LM350 es de 35 V.
En las aplicaciones comunes como carga de batería, el filtrado no necesita ser de las mejores, de ahí que se utilice un capacitor de valor relativamente pequeño en esa función.
Un cambio interesante en el proyecto consiste en conectar con Rx un potenciómetro de hilo para hacer el ajuste de la intensidad de la corriente. Un potenciómetro de 50 ohms permite una buena gama de ajustes.
Lista de material
CI-1 - LM350 (o LM317) - circuito integrado regulador de tensión
D1, D2 - 1N5404 - diodos rectificadores
T1 - Transformador de 15 + 15 V x 3 A - ver texto
Rx - Calculado según la corriente deseada - ver texto
C1 - 1 000 uF x 40 V - capacitor electrolítico
F1 - 1 A - fusible
S1 - Interruptor simple
Varios:
Placa de circuito impreso, radiador de calor, caja para montaje, soporte de fusible, hilos, soldadura, etc.





