Con este circuito es posible trabajar con el soldador a una temperatura más baja, o aún mantenerlo caliente cuando en un estado de espera. Con la temperatura más baja podemos usarlo para pegar cajas de plástico, por ejemplo.
Incluso durante las paradas para conferir un proyecto, separar componentes o analizar un circuito usted puede dejar su hierro semi-calentado, ahorrando energía y la propia punta del hierro que tiende a una oxidación en menor nivel en esas condiciones.
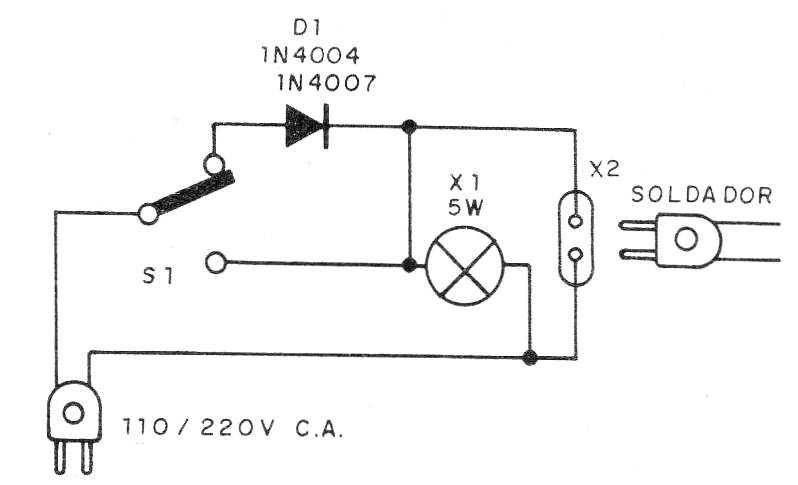
El reductor que describimos proporciona dos temperaturas para soldadores hasta 100 W tanto en la red de 110 V como 220 V. El circuito es simple y aún cuenta con una lámpara para monitorear el funcionamiento para mostrarle cómo su soldador está operando. El circuito completo del reductor se muestra en la figura 1.

Si la red es de 110 V podremos usar el 1N4004 o 1N4007, pero en la red de 220 V debemos usar el 1N4007. La lámpara es incandescente pequeña, hasta 5 W, por ejemplo.
Para utilizar es simple: con la llave S1 hacia abajo tenemos la potencia total y la lámpara encendida con máximo brillo y hacia arriba con media potencia con la lámpara encendida con brillo reducido.
Lista de material
D1 - 1N4004 o 1N4007 según la red de energía - diodo de silicio
S1 - Llave de 1 polo x 2 posiciones
X1 – Lámpara incandescente hasta 5 W para 110 V o 220 V según la red local
Varios: cable de fuerza, zócalo para la lámpara, hilos, soldadura, etc.




