Este circuito puede ser utilizado por grupos scouts o campistas que necesitan un sistema de "comunicaciones de emergencia" para largas distancias y que deseen usar para ello el Código Morse.
El Código Telegráfico Universal (Morse) tiende a caer en el desuso por la adopción de sistemas más modernos, pero aún hoy, consiste en un recurso importante para casos de emergencia y eso es revelado por la exigencia de su conocimiento en los exámenes de radio-operadores y radioaficionados.
El circuito que describimos opera con un tono de audio agradable y como su transmisión se realiza con línea de alta impedancia, para un receptor sensible, el cable de conexión entre las estaciones puede tener más de 5 km de longitud.
Con dos sistemas similares y utilizando el mismo cable (se añade una clave de transmisión / recepción), se puede mantener la comunicación de forma bilateral.
El circuito es alimentado por pilas y bastante compacto para poder ser cargado en la mochila, tanto el transmisor y el receptor.
Con el uso de la conexión a tierra (una pequeña barra de metal enterrada en suelo húmedo) el hilo de interconexión entre las estaciones puede ser único.
El uso de un alambre encapado fino puede ser cargado en un carrete de longitud muy grande, suficiente para unir dos campamentos, por ejemplo.
El circuito cuenta además con un ajuste de tonalidad para la señal lo que lo hace más agradable de usar.
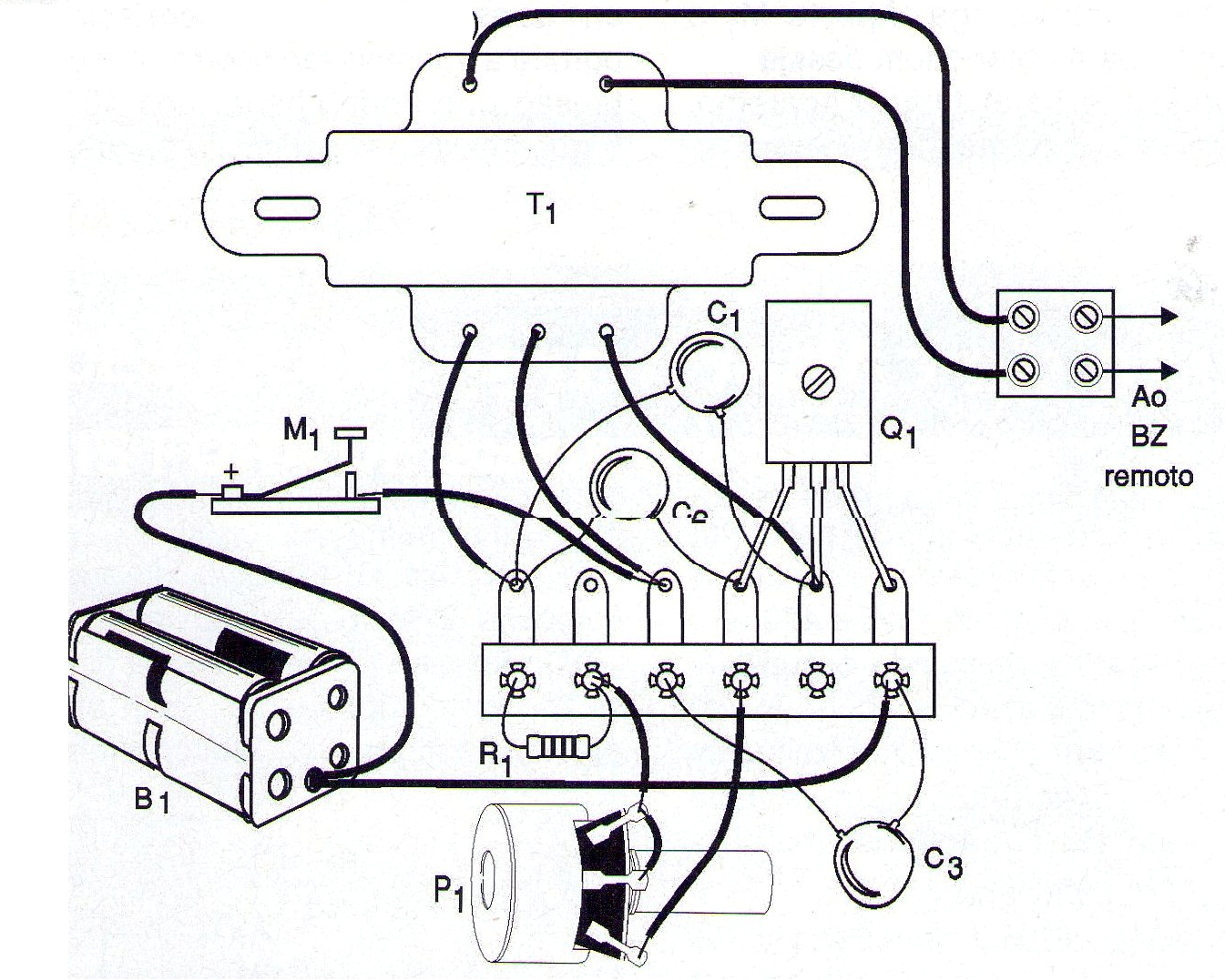
En la figura 1 tenemos el diagrama completo del sistema, ya que el receptor consiste en un simple transductor piezoeléctrico.
En la figura 2 tenemos la disposición de los componentes del transmisor en un puente de terminales.
Este puente de terminales, junto con las pilas y el manipulador, deben instalarse en una pequeña caja de plástico.
El transformador, del tipo utilizado en fuentes de alimentación con primario de 110 o 220 V o las dos tensiones y secundario de cualquier tensión entre 4,5 + 4,5 V y 9 + 9 V y corriente en el rango de 100 a 300 mA Cuanto menor sea el transformador, mejor para el montaje).
Los capacitores son de poliéster o cerámicos y el resistor a partir de 1/8 W.
Como receptor tenemos dos alternativas: una de ellas consiste en el uso de un transductor piezoeléctrico pequeño (del tamaño de una moneda) y por eso muy fácil de transportar o aún una cápsula de auricular o micrófono de cerámica.
La segunda alternativa consiste en el uso de un tweeter piezoeléctrico del que se haya retirado el pequeño transformador interno.
El manipulador puede ser improvisado con una plancha de metal, un clavo pequeño y un pedazo de madera o aún fijado en la propia caja de montaje.
No, necesito usar interruptor general porque cuando el manipulador está abierto, no hay consumo de energía.
Para probar el aparato conecte el transductor a la salida, pero con una resistencia de 47k ohmios en serie para que no haya sobrecarga.
Presione M y ajuste P1 para obtener el tono deseado.
Después, sólo tienes que instalar el aparato. Si desea un control de volumen en el receptor, se puede hacer con un potenciómetro común de 100 k ohmios.
Las conexiones a tierra se realizan con dos varillas metálicas enterradas en un lugar húmedo. Estas varillas deben tener al menos 40 cm de longitud.
La línea de transmisión (hilo) que une las estaciones debe estar bien aislada, pues la transmisión ocurre con una tensión que puede llegar a los 400 V lo que significa el peligro de pequeños choques en quien toque partes desencapadas.
Para transmitir, recuerde que un toque corto representa un punto y un tacto largo, un rastro. Los puntos y trazos forman las letras, números y símbolos diversos según el Código Morse.
El lector debe memorizar bien el código y después, con algún entrenamiento, conseguir recibir y transmitir mensajes de manera eficiente.
LISTA DE MATERIAL
Semiconductores:
Q1 - BD135 o equivalente - transistores NPN de uso general
Resistores: (1/8 W, 5%):
R1 - 1 k ohms - marrón, negro, rojo
P1 - 47 k ohms - potenciómetro
Capacitores:
C1 - 47 nF (473 o 0,047) - cerámico o poliéster
C2 - 22 nF (223 o 0,022) - cerámica o poliéster
Varios:
M1 - Manipulador - ver el texto
B1 - 3 o 6V - 2 o 4 pilas medianas o grandes
T1 - Transformador con primario de 110/220 V y secundario de 6 + 6 V x 100 mA - ver texto
BZ - Transductor - ver el texto
Puente de terminales, soporte de pilas, caja para montaje, hilos, terminales, barra de tierra, material para el manipulador, etc.





