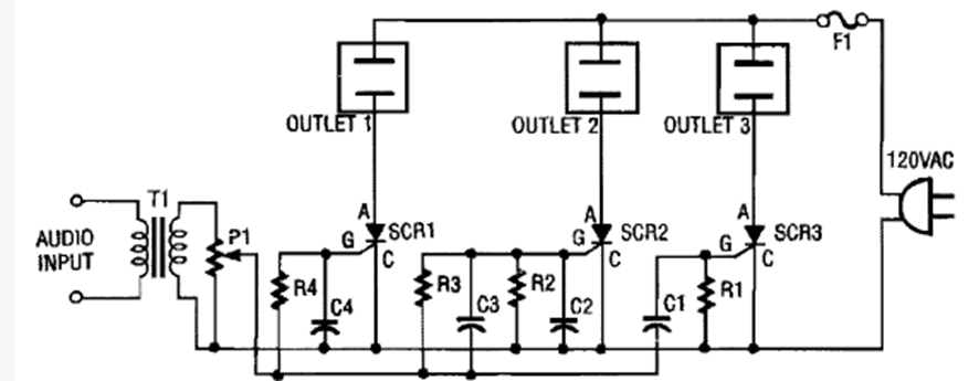
Este circuito para lámparas incandescentes se encontró en una edición de la década de 1990 de la revista Electronics Hobbyist. El circuito utiliza SCR comunes. P1 es de 10 kΩ, R1, R2 y R3 son de 4 kΩ y los capacitores se ajustan a las frecuencias a las que debe responder el circuito.




