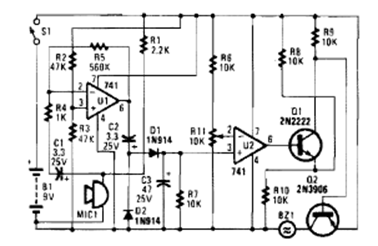
Esta sirena de alarma se encontró en el volumen 5 de la Enciclopedia de Circuitos Electrónicos de 1995. El circuito alimenta un zumbador.
En la figura 1 tenemos un ultra-simple probador de continuidad en el que el "super-transistor" se utiliza para...
Los pequeños buzzers piezoeléctricos (cerámicos) no poseen mucha potencia sonora, siendo indicados para...
Con sólo un transistor (PNP o NPN) usted puede hacer un teléfono de juguete con buen rendimiento gracias...