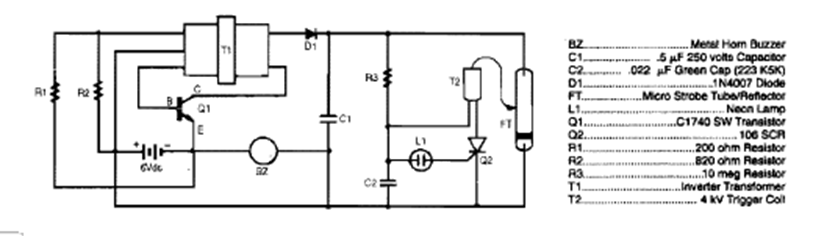
Este circuito, que se encuentra en la Enciclopedia de Circuitos Electrónicos, volumen 5 de 1995, utiliza un transformador. El circuito alimenta un transformador que produce 200 V para una lámpara de xenón.
En la figura 1 tenemos un ultra-simple probador de continuidad en el que el "super-transistor" se utiliza para...
Los pequeños buzzers piezoeléctricos (cerámicos) no poseen mucha potencia sonora, siendo indicados para...
Con sólo un transistor (PNP o NPN) usted puede hacer un teléfono de juguete con buen rendimiento gracias...