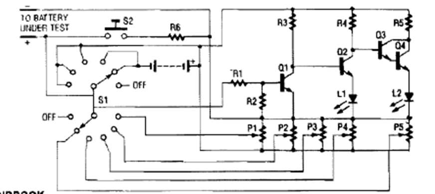
Este circuito de prueba se encontró en el Hobbyst Handbook (PE) en una edición de la década de 1990. El circuito prueba la batería bajo carga. La carga, al seleccionarse la batería mediante el interruptor.
En la figura 1 tenemos un ultra-simple probador de continuidad en el que el "super-transistor" se utiliza para...
Los pequeños buzzers piezoeléctricos (cerámicos) no poseen mucha potencia sonora, siendo indicados para...
Con sólo un transistor (PNP o NPN) usted puede hacer un teléfono de juguete con buen rendimiento gracias...