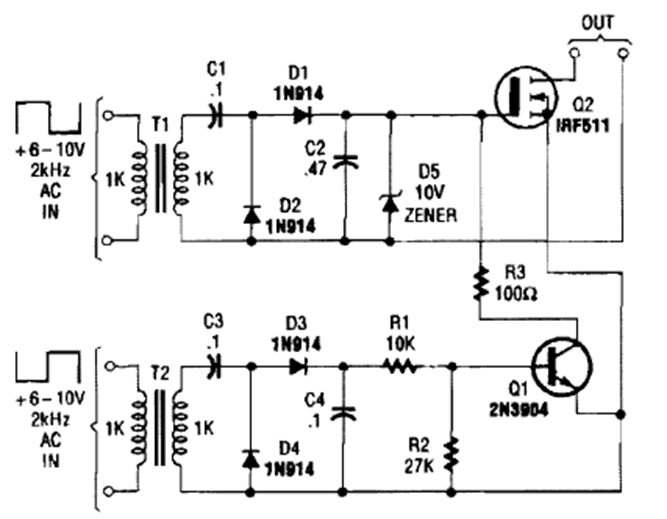
Este circuito conmuta cargas de potencia mediante señales de audio. El circuito es de una Popular Electronics de los años 90. Los componentes se pueden cambiar según la señal utilizada.
En la figura 1 tenemos un ultra-simple probador de continuidad en el que el "super-transistor" se utiliza para...
Los pequeños buzzers piezoeléctricos (cerámicos) no poseen mucha potencia sonora, siendo indicados para...
Con sólo un transistor (PNP o NPN) usted puede hacer un teléfono de juguete con buen rendimiento gracias...