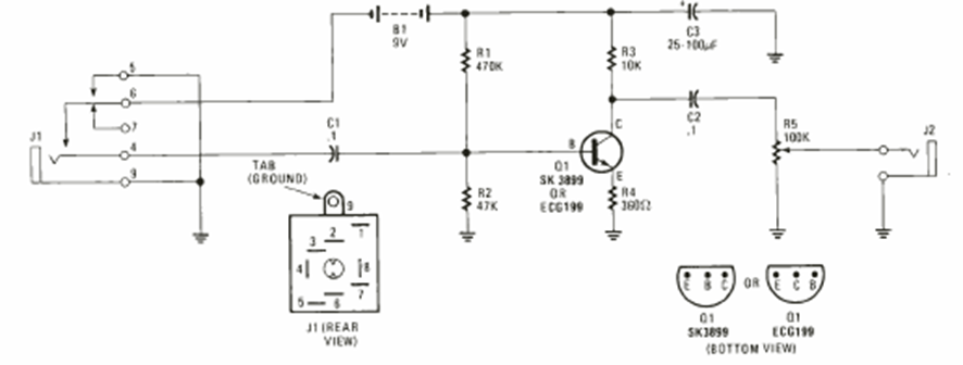
Encontramos este circuito en los Radio Electronics Special Projects de 1992. El circuito enciende la alimentación cuando se inserta el enchufe del micrófono en el conector de entrada.
En la figura 1 tenemos un ultra-simple probador de continuidad en el que el "super-transistor" se utiliza para...
Los pequeños buzzers piezoeléctricos (cerámicos) no poseen mucha potencia sonora, siendo indicados para...
Con sólo un transistor (PNP o NPN) usted puede hacer un teléfono de juguete con buen rendimiento gracias...