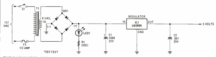
Éste es uno de los muchos usos posibles de los reguladores integrados. Esta fuente de alimentación para experimentador del Electronics Experimenter Special Projects de 1981 utiliza un transformador de un solo devanado con rectificación de puente.
En la figura 1 tenemos un ultra-simple probador de continuidad en el que el "super-transistor" se utiliza para...
Los pequeños buzzers piezoeléctricos (cerámicos) no poseen mucha potencia sonora, siendo indicados para...
Con sólo un transistor (PNP o NPN) usted puede hacer un teléfono de juguete con buen rendimiento gracias...