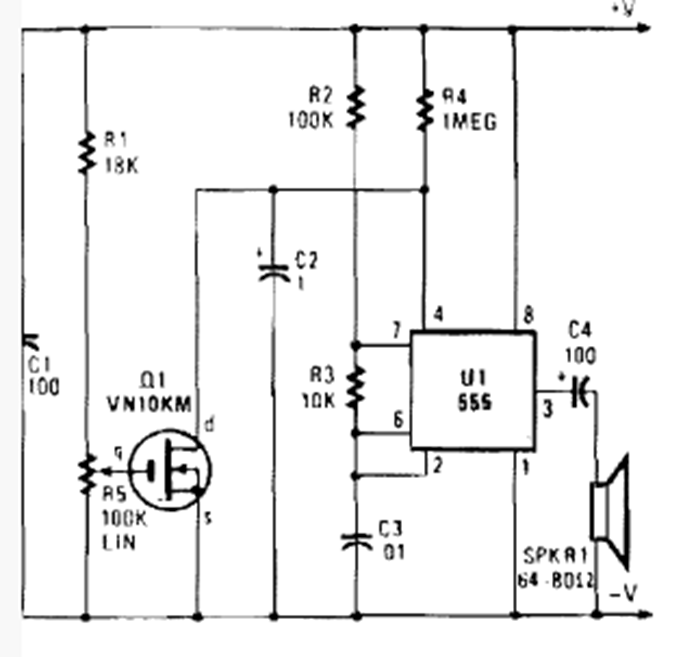
Este circuito, presente en una marca de electrónica popular de la década de 1990, monitorea el voltaje de una fuente de alimentación o batería. La tensión de disparo se ajusta con un potenciómetro.
Con este simple probador podemos probar cables de electrodomésticos, motores, lámparas,...
Este pulsador para un LED, o Flasher, tiene un consumo extremadamente bajo, pudiendo ser...
Las lámparas neón son elementos activos de circuitos que se caracterizan por presentar una región de...