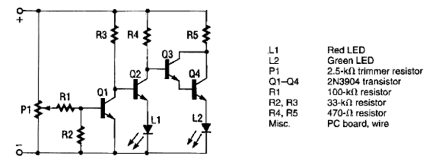
Este circuito de grado automotriz se encontró en una Electronics Hobbyst de 1991. Los transistores son de propósito general. P1 ajusta la tensión de monitoreo.
Este circuito es de un Radio Electronics de junio de 1957. Consiste en un excelente radio de...
Este circuito es de una documentación antigua de 1995, pero puede ser montado con facilidad aún hoy por...
Este circuito lo encontramos en una Electronics Now. La indicación del nivel lógico se realiza en un...