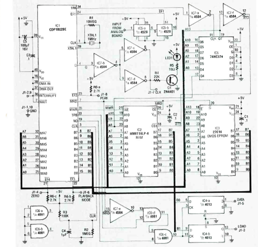
Sirve como referencia, ya que ahora podemos tener soluciones más sencillas y compactas. Este circuito es de un Radio Electronics Experimenterde 1992. Los circuitos integrados son de esa época.
Con este simple probador podemos probar cables de electrodomésticos, motores, lámparas,...
Este pulsador para un LED, o Flasher, tiene un consumo extremadamente bajo, pudiendo ser...
Las lámparas neón son elementos activos de circuitos que se caracterizan por presentar una región de...