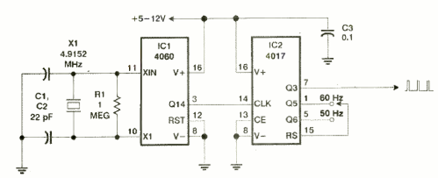
Este circuito basado en cristales puede generar señales precisas de 50 o 60 Hz. El circuito es de una revista Electronics Now de noviembre de 1998. La señal de salida consta de pulsos rectangulares.
Este circuito es de un Radio Electronics de junio de 1957. Consiste en un excelente radio de...
Este circuito es de una documentación antigua de 1995, pero puede ser montado con facilidad aún hoy por...
Este circuito lo encontramos en una Electronics Now. La indicación del nivel lógico se realiza en un...