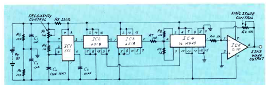
Este circuito genera señales sinusoidales que dependen del oscilador de entrada. El circuito es de una Radio Elecrtronics de abril de 1988. Las señales están en el rango de unos pocos cientos de kilohertz.
Este circuito publicado en la revista Radio Electronics de noviembre de 1964 alimenta una...
Este circuito fue encontrado en una documentación de 1985. El transistor es de tipo antiguo de...
Encontrado en una publicación estadounidense de 1968, este circuito hace uso de una luz piloto de...