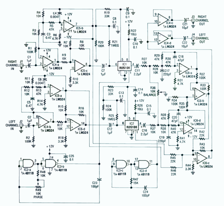
Encontramos este circuito de efectos de voz en la revista Radio Electronics de septiembre de 1990. El circuito funciona con señales provenientes de dos entradas de un sistema estéreo.
Este circuito publicado en la revista Radio Electronics de noviembre de 1964 alimenta una...
Este circuito fue encontrado en una documentación de 1985. El transistor es de tipo antiguo de...
Encontrado en una publicación estadounidense de 1968, este circuito hace uso de una luz piloto de...