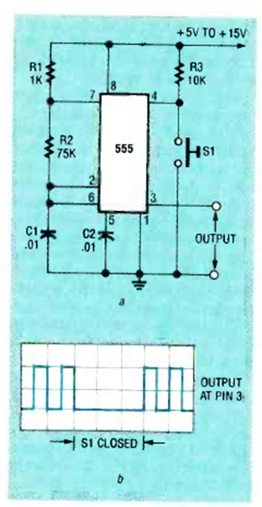
Al presionar S1 el circuito se paraliza. Este circuito fue encontrado en la revista Radio Electronics de octubre de 1992. La frecuencia de la señal generada está dada por C1.

Al presionar S1 el circuito se paraliza. Este circuito fue encontrado en la revista Radio Electronics de octubre de 1992. La frecuencia de la señal generada está dada por C1.
