En la figura 1 tenemos un órgano electrónico de juguete que puede tanto servir para divertir a los niños como base para un trabajo de ciencias en escuelas o enseñanza de tecnología.

La principal característica de este circuito es el efecto de vibrato que hace que la nota producida variar rápidamente, con un sonido bastante interesante que incluso puede ayudar a obtener algunas canciones simples.
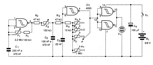
En este circuito, una primera puerta del 4093 (CI-1a) produce la modulación de baja frecuencia o efecto de vibrato, ajustado por el potenciómetro P1. Este es el potenciómetro de "velocidad del efecto".
La profundidad de la modulación, o la variación del sonido se ajusta en el potenciómetro P2 de "profundidad" mientras que los ajustes de las notas individuales se realiza en el conjunto de trimpotes que van desde P3 a Pn.
El número "n" de potenciómetros no puede ser muy grande, pues es difícil hacer su ajuste. recomendamos que el órgano tenga sólo una octava.
El sistema de teclado sugerido es por punta de prueba. Una punta toca en áreas de metal o cubiertas de una placa que corresponden a las notas musicales.
El transductor usado es del tipo piezoeléctrico para mayor economía. Sin embargo, se puede agregar un pequeño amplificador que excite un altavoz, en cuyo caso se obtiene mayor volumen.
En la figura 2 tenemos una sugerencia de placa de circuito impreso para el montaje del órgano.

El conjunto cabe en una pequeña caja de madera o plástico con el teclado y controles en su parte superior.
La alimentación se puede realizar con pilas o fuentes. La fuente debe tener un buen filtrado para que no se produzcan roncos en la reproducción.
Para utilizar es sólo ajustar el efecto y tocar las teclas con la punta de prueba. Dos circuitos similares a éste pueden ser usados para obtener un órgano polifónico, es decir, en que dos teclas pueden ser tocadas al mismo tiempo.
Lista de material
CI-1 - 4093 - circuito integrado CMOS
P1 - 2,2 M ohms - potenciómetro
P2 - 100 k ohms - potenciómetro
P3 a Pn - trimpots de 1 M ohms - ver texto
R1 - 100 k ohms x 1/8 W - resistor - marrón, negro, amarillo
R2, R3 - 47 k ohms x 1/8 W - resistores - amarillo, violeta, naranja
R4 - 10 k ohms x 1/8 W - resistor - marrón, negro, naranja
C1 - 220 nF z 470 nF - capacitor de cerámica o poliéster
C2 - 100 nF a 470 nF - capacitor de cerámica o poliéster
C3 - 220 nF - capacitor de cerámica o poliéster
C4 - 100 uF x 12 V - capacitor electrolítico
S1 - Interruptor simple
X1 - Transductor piezoeléctrico
B1 - 6 V - 4 pilas pequeñas o fuente
P - Punta de prueba
Varios:
Soporte de pilas, teclado, caja para montaje, botones para los potenciómetros, placa de circuito impreso, hilos, soldadura, etc.



