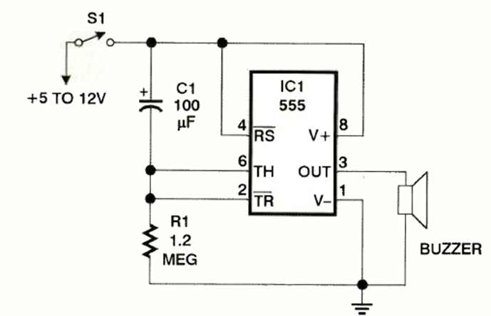
Esta es la configuración básica para accionar un zumbador de cerámica con el 555 que sonará en un intervalo de 2 minutos. Lo encontramos en la revista Electronics Now de noviembre de 1997. El zumbador es de tipo oscilador.
Cuando se activa, este circuito hace que una lámpara reduzca automáticamente su brillo hasta que se...
Encontramos esta alarma en una publicación en inglés de 1978. Aunque la fuente de alimentación original es...
Este circuito, encontrado en una publicación de los años 70, produce una señal senoidal de 1 Hz....