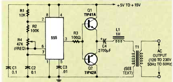
Se puede obtener un voltaje no sinusoidal de 120 V con este circuito que se encuentra en la revista Radio Electronics de diciembre de 1992. La potencia es de unos pocos watts.
Este amplificador utiliza un transistor Darlington cuya ganancia de corriente puede llegar a 10...
Los osciladores por Puente de Wien producen señales senoidales de bajas frecuencias de excelente...
Este circuito utiliza como estándar de frecuencia un filtro cerámico del tipo encontrado en radios de FM,...