Este circuito genera señales en la banda de ondas largas de 100 kHz a 500 kHz, pudiendo ser utilizado como base para transmisores experimentales, generadores de señales, aparatos de investigación y en muchas otras aplicaciones.
La potencia del circuito es baja, del orden de algunas decenas de miliwatts, pero aún así, conectando a una antena, las señales pueden ser captadas a distancia de algunos metros, con un receptor apropiado.
La salida de la señal se puede hacer de dos maneras:
A) Con la conexión de la antena o salida en el colector del transistor
B) a partir de una segunda bobina de 30 a 40 espiras del mismo hilo sobre L1.
B) La alimentación del circuito se puede hacer con tensiones de 3 a 9 V y como el consumo es relativamente bajo, se pueden utilizar pilas comunes o una batería.
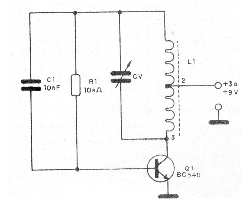
En la figura 1 tenemos el diagrama completo del oscilador.
En la figura 2 su montaje tomando como base un puente de terminales.
La bobina L1 está formada por 200 espiras de hilo 28 o más fino en un bastón de ferrita, con toma en la 50ª espira. El capacitor variable se puede obtener de una radio AM transistorizada fuera de uso. La capacitancia de este componente determinará el rango de frecuencias barrido por el oscilador.
El transistor puede ser cualquier NPN de uso general o media potencia como el BD135. Los demás componentes son comunes.
Para verificar el funcionamiento se puede utilizar un receptor AM, que captará los armónicos de este circuito, o aún enrollando unas 40 espiras de hilo sobre la bobina y ligándose en la escala de la CA más baja del multímetro.
Lista de materiales:
Q1- BC548 o equivalente - transistores NPN de uso general
L1- Bobina - ver el texto
CV - Capacitor variable - ver texto
R1 - 10 k ohms x 1/8 W-resistor - marrón, negro, naranja
C1 - 10 nF - capacitor de cerámica
Varios:
Pilas o batería, conector o soporte de pilas, puente de terminales, bastón de ferrita, hilos, soldadura, etc.





