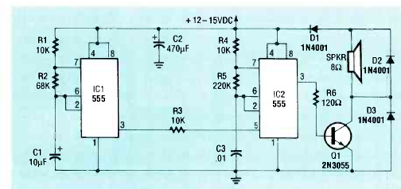
Encontramos este circuito de alarma en una revista de Radio Electronics de julio de 1990. El transistor de potencia debe estar equipado con un disipador de calor.
Este circuito, obtenido en una documentación de la década de 1980, está destinado a la transmisión de...
Este circuito se obtuvo de una publicación estadounidense de los años 80. Podemos usar un BD136 en...
Philips sugirió este circuito en la documentación de 1967. El circuito recibe luz modulada y tiene un...