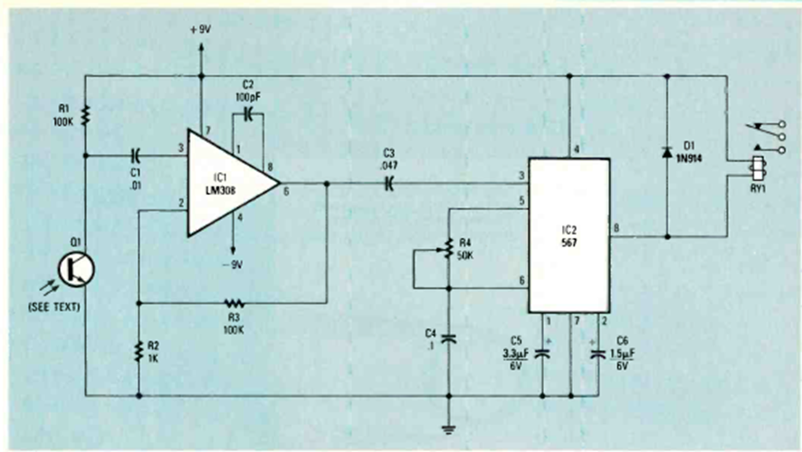
Este es el circuito receptor del control remoto anterior publicado en la misma revista Radio Electronics de noviembre de 1987. El sensor es un fototransistor ordinario.
Este amplificador utiliza un transistor Darlington cuya ganancia de corriente puede llegar a 10...
Los osciladores por Puente de Wien producen señales senoidales de bajas frecuencias de excelente...
Este circuito utiliza como estándar de frecuencia un filtro cerámico del tipo encontrado en radios de FM,...