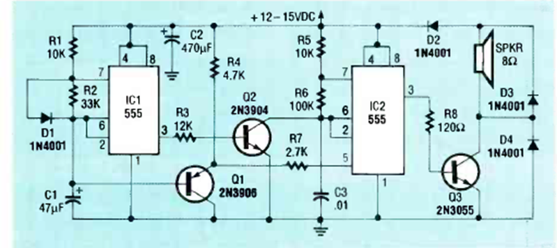
Este circuito de alerta roja de la película Star Trek se encontró en la edición de julio de 1990 de la revista Radio Electronics. El transistor de potencia debe estar equipado con un disipador de calor.
Este circuito ultra-simple sirve para verificar el estado de altavoces, auriculares e incluso LEDs y...
Describimos el montaje de un circuito de memoria que opera según el mismo principio de las...
Presione un botón (S1) y una aguja sin conexión eléctrica alguna se mueve misteriosamente. Este montaje, basado...